Abstract
Although the stability of the grid-connected photovoltaics (PV) and energy storage systems under weak grids has been widely researched, the classical improvement methods focus more on suppressing the harmonics introduced by the phase-locked loop (PLL). Furthermore, the current distortion caused by the DC voltage loop is difficult to be eliminated. In this study, based on the hybrid energy storage system of battery-supercapacitor, a dual-loop compensation method is proposed. First, the small-signal model and output impedance matrix are built in d-q axis. Second, for different disturbance loops, a DC voltage loop disturbance compensation method based on power feedforward is proposed to suppress the harmonics caused by the DC voltage controller (DVC). In addition, a voltage feedforward PLL disturbance compensation method is proposed, which can reduce the PLL perturbations and revise the output impedance to improve system stability. Finally, the output impedance frequency characteristic analysis and the hardware-in-the-loop (HIL) simulation results show that the proposed control method can effectively improve the stability of the system under weak grids.
1 Introduction
Renewable energy sources such as PV have the characteristics of intermittency and randomness. In order to ensure the stability of the microgrid system, certain capacity energy storage devices need to be configured in the microgrid system. The battery-supercapacitor (SC)–based hybrid energy storage system (HESS) has been proposed to mitigate the impact of dynamic power exchanges on the battery’s lifespan (Jing et al., 2017). Aiming at the control of the PV and energy storage microgrid, (Akram et al., 2018), proposed an iterative search algorithm to improve the optimal size of the PV and energy storage systems in the microgrid. (Tricarico et al., 2020) made improvements on the microgrid topology. In (Xu and Cen, 2021), a coordinated control strategy was used to suppress the power fluctuations of grid-connected PV power generation systems. Due to the interaction between the inverter and grid impedance, will cause a decrease in system stability. Therefore, considering the weak grid conditions, the research on stable control of grid-connected inverters is particularly important.
The impedance analysis is widely used in the stability analysis of grid-connected inverters. (Sun, 2011) pointed out that if the ratio of the grid impedance to the inverter output impedance satisfies the Nyquist stability criterion, the system will remain stable. (Wen et al., 2014) analyzed the control of the voltage controller in the low-frequency range, the output impedance decreases as the voltage loop bandwidth increases, and the wider will be the frequency range of the negative impedance. In this regard, (Xu et al., 2017), proposed an adaptive control method, which adjusts the voltage feedforward signal through an adaptive criterion to improve the stability. (Lu et al., 2018) revealed that the dc-link voltage control may cause high-frequency oscillations in the inverter. (Yuan et al., 2017) pointed out that controller parameters of DVC affect the oscillation. In addition, (Harnefors et al., 2015), suggested not to select the bandwidths of DVC, unnecessarily large, to avoid oscillation. (Dong et al., 2014); (Wen et al., 2015a); (Wen et al., 2015b); (Bakhshizadeh et al., 2016); (Yang et al., 2019); (Nicolini et al., 2020) mainly analyzed the influence of the PLL on the stability of the inverter and pointed out that the PLL is one of the main factors that affect the stability of the system. The method of introducing a feedforward function was used by (Wang et al., 2010); (Xue et al., 2012); (Zhang et al., 2018) to improve stability.
To solve the influence of PLL on system stability, (Cespedes and Sun, 2014); (Yang et al., 2014); (Zhou et al., 2014); (Davari and Mohamed, 2016) made different attempts. In (Zhou et al., 2014), a small-signal model of the control system including the PLL was established. It was discussed that the gain of the PLL has a greater effect on the stability of the inverter, and a method is proposed to reduce the bandwidth of the PLL to solve this problem. (Yang et al., 2014) used virtual impedance to regulate the output impedance instead of adjusting the current loop gain to improve the inverter’s harmonic suppression and stability robustness. The current control loop can be independently designed. (Wang et al., 2014) reviewed the control methods of VSCs and CSCs based on virtual impedance. (Cao et al., 2017) proposed an impedance matrix modeling method, which simplifies the stability judgment process. However, the impact of the DC side voltage fluctuation is ignored. For PV grid-connected systems, the DC side voltage will fluctuate under the influence of factors such as intensity of light. Therefore, it is necessary to take DC voltage fluctuations into consideration.
This study aims at the stability of weak grid-connected PV and energy storage systems. To meet the dynamic response requirements, a HESS is adopted. For the grid-connected inverter, the small-signal analysis and impedance method are used to analyze the stability of the system, including the influence of the PLL and the voltage loop controller. The main contributions are as follows:
1) Considering the State of Charge (SoC) of the battery, an adaptive bandwidth frequency low-pass filter (LPF) is proposed, smoothing the low-frequency power from the battery, ensuring DC bus voltage stability.
2) A DC voltage loop disturbance compensation control based on power feedforward is added to the DVC to reduce the perturbation signals caused by the controller parameters.
3) To eliminate the negative effects introduced by PLL, a disturbance compensation method based on voltage feedforward is proposed, which further improves the stability of grid connections.
The rest of this article is organized as follows. Section 3 establishes the impedance model of the grid-connected inverter. Section 4 discusses the proposed control method and analyzes the control effect. Section 5 builds a HIL platform to verify that the proposed method can reduce the frequency range of the negative impedance characteristics. The conclusion is given in Section 6.
2 Grid-Connected PV and Energy Storage System Under Weak Grids
Figure 1 is a weak grid-connected PV and energy system. PV and HESS are connected to the DC bus through DC/DC converters. Therefore, the DC bus voltage becomes a key indicator for stable operation. is the filter inductance on the inverter side, and is the parasitic resistance on the inductance. The grid impedance is represented by , which comprises an inductance and a resistance , and is the phase angle of the PLL. DC bus voltage and current are represented by and , respectively. The control system of the inverter comprises a DVC, an AC current controller (ACC), and PLL.
FIGURE 1

Grid-connected PV and energy storage system.
2.1 Structure Design of HESS
The PV array is connected to the DC microgrid through a boost converter, which adopts the MPPT control algorithm. The HESS uses a bidirectional DC/DC converter to connect to the DC microgrid. Due to the imbalance between power generation and load demand, the HESS is proposed to maintain the DC bus voltage stability.
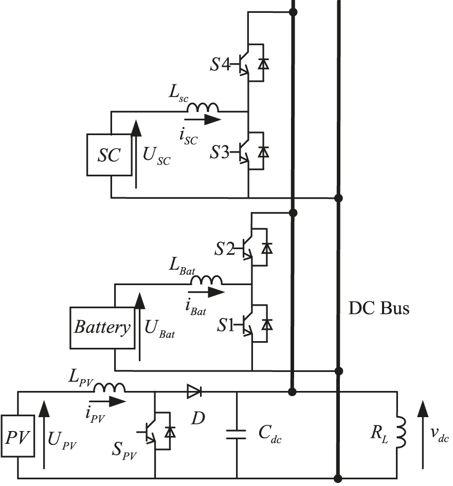
In Figure 2, represents the load of the DC bus, , , , , , and represent the voltage and output current of PV array, battery, and SC; , , and are the filter inductance of the converter; is the filter capacitor; and , , , , and are the control switches.
FIGURE 2

DC microgrid structure.
2.2 Self-Adaptive LPF Considering
The control block diagram of the voltage stabilization control strategy is shown in Figure 3. The basic idea of this control strategy is that the battery supports the low-frequency part of power changes and the SC supports the high-frequency part of power changes. Therefore, is compared with its reference value , and the total current is provided by the PI controller. A low-pass filter (LPF) is used to divide the total current into a steady-state power component and a dynamic power component. The steady-state power component is used as the reference value for battery current control, and the dynamic power component is used as the reference value for SC current control.
FIGURE 3

Structure of voltage stabilization control.
The smaller the bandwidth frequency of the LPF, the smoother the power borne by the battery after passes through the LPF, and the more the power borne by the SC. Therefore, the power distribution effect of the LPF can be optimized by changing the size of bandwidth frequency.
On the basis of the traditional power distribution method, the SoC of the HESS is considered, and the bandwidth of the LPF is changed in real time according to its SoC value to realize the reasonable distribution of the power in HESS.
We set the improved self-adaptive bandwidth frequency as follows:where , is the initial bandwidth frequency of the LPF, and is the optimal SoC of the battery, with a magnitude of 0.6.
In Figure 4, the power with a frequency lower than is borne by the battery, and the power with a frequency higher than is borne by the SC. Figure 4A shows the power distribution under the traditional LPF, where . Figure 4B shows that the larger means larger , and the battery bears more range of power output. When the battery power is low, decreases with . SC takes on more range of power output so as to extend the working time of HESS and protect the battery.
FIGURE 4

(A) Traditional LPF power distribution diagram, (B) self-adaptive LPF power distribution diagram considering .
With the self-adaptive LPF power distribution method, the new reference current and are obtained. By sending these parameters to the PI controllers, we can get the bidirectional DC/DC control signals.
2.3 System Power Distribution
In the power distribution control strategy, the DC bus voltage is controlled by the PV and the HESS. is the power at the input of the inverter, and is the power of DC load. represents the output power from the DC bus side. is the power of the DC bus capacitor.
In order to stabilize the DC bus voltage, , which means . The HESS is responsible for balancing the power between the DC bus side and the PV. The power of the HESS is allocated to the battery and the SC.
When the energy emitted by the system can satisfy (5), can remain stable.
3 Design of the Grid-Connected Inverter
3.1 Design of Inverter Controllers
Figure 5 is the dual-loop control block diagram with a power feedforward. The proportional and integral gain of the PI controllers are and ; and .
FIGURE 5

Dual-loop control structure of the inverter.
According to Figure 1, the mathematical model of the grid-connected inverter under the dq axis is as follows:where and are the dq-axis components of the grid-connected current at the PCC point, and are the dq-axis components of the PCC voltage, and are the inverter output voltage, and ω is the grid angle frequency. We usually set = 0, = 0. The topology diagram of the control system is shown in Figure 6. According to the power conservation at the input and output of the inverter, we can get
FIGURE 6

Topology diagram of the control system.
According to (7), can be expressed as follows:
According to (8), the power feedforward item is introduced into the DVC.
The voltage loop control is to maintain the power balance and stabilize the DC side voltage (Harnefors et al., 2007). The introduction of a power feedforward link will reduce the signal of the outer loop voltage control command, thereby reducing the steady-state error of vdc, improving the response speed. Figure 7 compares the frequency characteristic curve of with and without power feedforward. It can be seen that the range of negative impedance characteristics of is reduced with the addition of power feedforward, which indicates that the feedforward in DVC will improve the stability of the system.
FIGURE 7

Frequency characteristics of with and without power feedforward.
3.2 Modeling of Output Impedance
The model of output impedance is built in d-q axis. In order to distinguish the variables of the system and the control loop, the superscript represents the control loop variable, and the superscript represents the system variable. is the transfer function of the filter: is the time delay caused by the control loop and PWM modulation, which can be expressed as follows:
In the formula, , is the switching frequency. is the transfer function from duty ratio to inductor current , and is as (Wen et al., 2015a) follows:
As mentioned, the inverter uses PLL to obtain the phase information of the grid voltage. The angle output by the PLL will then be used for the d-q axis conversion inside the inverter, so the dynamic characteristics of the PLL will affect the output voltage, current, and duty ratio signals of the inverter, which in turn affects its output impedance (Bakhshizadeh et al., 2016) Eq. 13 is the transfer function of PLL.where, and are the PI controller parameters in the PLL.
When a small signal disturbance is applied to the output voltage, the relationship between the control loop voltage and the system voltage is as follows:
In the same way, the duty ratio signal has the following relationship:
For the control loop inductor current, there is the following relationship: , , and respectively, represent the influence of PLL on system voltage, duty ratio, and current.
The ACC control loop in Figure 8 is realized by converting the system output current into the current of the control loop under the action of the filter and PLL and then through and . is the feedforward decoupling link: is the current controller:
FIGURE 8

Small signal model of the grid-connected inverter with PLL, ACC, and DVC.
Ignoring the power loss of switching devices, the active power balance equation is as follows:
Add a small signal disturbance the helps obtain the power equation:In the formula, and and and areThe input current of the inverter isSet and . represents the loss of DC side capacitance and switching device:
The transfer function matrix and is defined and used for power calculation as
To obtain the impedance model of the inverter, supposing that on the DC side of the inverter, besides the DC voltage , there is also a voltage corresponding to it, which is defined as . is the voltage controller:Let the power feedforward term .
Therefore, according to Figure 8, the output impedance matrix of the grid-connected inverter small-signal model can be derived as follows:
4 Dual-Loop Compensation Control
4.1 The Influence of the Proportional Gain of DVC on the Stability of the System
Under weak grid conditions, the increase of will easily cause DC bus voltage fluctuations and grid-side current distortions.
In Figure 9A, the Nyquist curves of the impedance ratio are shown. As increases, the impedance ratio curve gradually includes the (−1, j0) point. It shows that will affect the stability of the system.
FIGURE 9

(A) Impedance ratio curves of different ; (B) impedance ratio curves of different .
4.2 The Influence of the Proportional Gain of PLL on the Stability of the System
In a weak grid, the PLL and the grid impedance are coupled with each other, and the voltage at the PCC point is distorted. The increase in also increases the output error and reduces the system stability.
In Figure 9B, it can be seen that as increases, the impedance ratio curve gradually includes the (−1, j0) point. It shows that the increase in will make the grid-connected system unstable.
Aiming at the problem that the grid impedance, the PLL, and the DC voltage loop are coupled with each other, corresponding control methods need to be adopted to suppress unstable factors.
4.3 Disturbance Compensation Method of DVC
The disturbance path of the DC voltage loop in Figure 8 shows that affects through the DC voltage loop and then affects the system output current through the current loop. Adding a compensation matrix at the output of the DVC can offset the disturbance signal. Based on the small-signal model, the compensation matrix can be obtained as follows:
Compensation signal:
Since only affects the d-axis, the control signal can be obtained as follows:
Disturbance Compensation Method of PLL
Figure 10 shows the disturbance path of the PLL, where the voltage at the PCC point passes through the transfer matrix and then affects the output voltage command through the current loop. Therefore, a compensation matrix can be added at the ACC to offset the disturbance signal.
FIGURE 10

Small-signal model of the grid-connected inverter.
According to Figure 10, let the compensation term be
Due to the control voltage being , therefore according to the relationship between the control loop voltage and the system voltage , the actual feedforward term can be obtained:where
Since only affects the q-axis current, the improved current control equation of the inverter can be expressed as follows:
The adjustment gain is used to adjust the magnitude of the compensation signal, and can be expressed as follows:
Figure 11 of the current loop control system with compensation terms is shown in, where , .
FIGURE 11

Diagram of the current loop control system with compensation terms.
4.5 Analysis of Output Impedance
This section uses the data in Table 1 to analyze the frequency characteristics of the inverter output impedance based on the previous deduction.
TABLE 1
| Parameter | Symbol | Value |
|---|---|---|
| Filter inductance | ||
| Filter capacitance | ||
| Filter impedance | ||
| DC voltage | ||
| D-axis grid voltage | ||
| Q-axis grid voltage | ||
| D-axis l current reference | ||
| Q-axis current reference |
Grid-Connected system parameters.
Comparison of simulation results of impedance frequency characteristics with and without Gcomp−dc is shown in Figure 12.
FIGURE 12

Impedance frequency characteristics with and without .
It can be seen from the figure that when the PLL is acting, the output angle of the PLL is affected by the q-axis voltage, and characteristic is negative. The DVC and ACC use the angle to transform the coordinates and then introduce the negative influence of PLL to the d-axis. presents a negative characteristic, and its amplitude is related to the output power of the inverter.
After adding , presents the frequency characteristic of positive impedance, which shows that the voltage loop compensation strategy proposed in this study effectively eliminates DVC’s negative effects on the d-axis. still presents negative impedance characteristics.
Figure 13 shows the impedance frequency characteristics with and without , and after adding the PLL disturbance compensation, presents the positive characteristic, and the control method effectively eliminates the negative influence of PLL on the q-axis and improves the stability of the system.
FIGURE 13

Impedance frequency characteristics with and without .
The negative influence of PLL on the q-axis makes exhibit negative characteristics. As the bandwidth of PLL increases, the range of frequency characteristics of negative impedance on becomes larger, while the bandwidth of PLL has little effect on the amplitude of . Its amplitude is related to the output power of the inverter.
As shown in Figure 14, the inverter current vector is synchronized with the grid voltage vector. Assuming that the inverter only delivers active power to the grid, when the disturbance occurs on the q-axis, the voltage vector will transition from the original equilibrium state to the new equilibrium state . Similarly, the inverter current vector will be synchronized with the grid voltage vector and transition from the original equilibrium state to the new equilibrium state . In the low-frequency band, the calculation formula of is as follows:
FIGURE 14

Phasor diagram of the inverter when perturbation happens in q channel.
The amplitude of grid voltage remains unchanged, and as the grid-connected power becomes larger, the amplitude of becomes smaller. When the grid-connected power changes, the frequency characteristic curve of is shown in Figure 15.
FIGURE 15

Frequency characteristics of under different grid-connected power.
In Figure 15, different grid-connected power has no effect on the phase angle of , and as the grid-connected power becomes larger, the amplitude of becomes smaller.
In Figure 13, the addition of the compensation term not only eliminates the negative impedance characteristic of but also reduces the amplitude of in the low-frequency band and increases the output power of the inverter.
5 Experiments
In order to verify the validity of the proposed control strategy, a HIL simulation platform was built in the OPAL-RT real-time simulation system which comprises an external controller and simulation computer. Figure 16 is the OPAL-RT HIL system structure diagram. The host computer (Host PC) is used to build the system model and download it to the target computer (OP5600) through the TPC/IP channel; the target computer uploads information to the Host PC to monitor the operation of the model in real time. The grid-connected inverter controller adopts the TMS320F28335 digital signal processor (DSP). The DSP controller is responsible for collecting model output signals, performing real-time calculations, and generating PWM signals to send to the I/O board of the target machine to control the inverter.
FIGURE 16

HIL experiment topology.
When the output power of the PV array fluctuates:
Figure 17 shows the control experiment results of the PV and energy storage system under case 1. = 4 kW. By changing light intensity, in the first 2s, > , the battery is charged smoothly. At 2s, reduces to 2kW, < , SC discharges quickly to compensate for the power fluctuation of the system, and the battery discharges smoothly. At 4s, increases to 6kW, SC absorbs the power impact, and the battery is charged smoothly. During 6–8s, = , HESS works steadily.
FIGURE 17

(A) DC bus output power ; (B) PV array output power ; (C) HESS output power.
Figure 18 compares the waveforms of the vdc in different energy storage systems versus in case 1. It can be seen that has different degrees of fluctuation and is finally stabilized at 600 V. At 4 s, the fluctuation is the most obvious. The system without SC is stable after 0.3 s with larger fluctuation amplitude; HESS is stable after 0.1 s, and the fluctuation amplitude is smaller. It proves that when fluctuates, the HESS has faster dynamic response performance and higher stability than battery energy storage systems due to introduction of supercapacitors with higher power density.
FIGURE 18

(A) of the system without SC in case 1; (B) of HESS in case 1.
When the output power of the DC bus fluctuates:
Figure 19 shows the control experiment results of the PV and energy storage system in case 2. At first < , the battery is in a stable discharge state. Due to load reduction, decreases, SC is charged quickly to compensate for the power fluctuation, and the battery absorbs the remaining power smoothly. When suddenly increases, the SC provides sudden power to offset the impact, during which the battery discharges smoothly.
FIGURE 19

(A) DC bus output power ; (B) PV array output power ; (C) HESS output power.
Figure 20 compares the waveforms of the in case 2. The most obvious fluctuation happens at 2s, the battery energy storage system takes 0.2 s to get stable, and the fluctuation amplitude is larger. The HESS takes 0.1 s to get stable with a smaller fluctuation. The HESS can overcome the shortcoming of the slow response of the battery system to the sudden change of load demand and effectively and quickly reduce the influence of system power fluctuation .
FIGURE 20

(A) of the system without SC in case 2; (B) of HESS in case 2.
In order to suppress the negative impact of DVC and PLL, the experimental results of the improved method for the traditional inverter control strategy are as follows. Figures 21, 22 show the simulation results of the grid-connected current before and after the compensation control is added to the inverter. The addition of the DVC compensation proposed in this article effectively eliminates the negative impact of the DC voltage loop, and the harmonic distortion rate of the grid-connected current is reduced from 4.18% to 1.02%. The system becomes stable and meets the grid-connected standards. The harmonic distortion rate of the grid-connected current is reduced from 1.02% to 0.68% when the negative influence of the PLL is compensated on the q-axis, which proves the validity of the control method proposed in this study.
FIGURE 21

Grid-connected current waveform; (A) without compensation; (B) with DVC compensation; (C) with PLL compensation.
FIGURE 22

Grid-connected current THD; (A) traditional control without compensation; (B) with DVC compensation; (C) with PLL compensation.
In Figure 23, the experimental results show that in the very weak-grid condition, after compensation is added at 0.5 s, the distortion of the grid current is suppressed. The grid-connected system is restored to a stable state.
FIGURE 23

Grid-connected current under very weak-grid.
The common fault in the grid-connected operation of the PV system is simulated. The single-phase grounding fault current is measured at the PCC point. When a single-phase ground fault occurs at the PCC point, the grid-connected current will change rapidly. A-phase ground fault occurs at 0.9 s. At 1.2 s, the A-phase ground fault is eliminated. The experimental results are shown in Figure 24. When phase A is grounded, it increases rapidly and distorts. After the fault is eliminated, the current can quickly recover to the current waveform before the A phase is grounded in about 0.01 s. After adding compensation, due to the negative feedback signal in the DVC compensation, the output current is greatly reduced when the fault occurs, and the current waveform is almost stable. The experimental results show that the proposed control method has a certain anti-interference ability to single-phase ground fault.
FIGURE 24

Phase-A grounding fault current; (A) without compensation; (B) with compensation.
6 Conclusion
Aiming at the DC side voltage disturbance of the PV and energy storage system, this study adopts a HESS with a self-adaptive LPF to quickly and effectively stabilize the DC bus voltage. A small-signal model of the grid-connected inverter is established in the dq coordinate system, and the influence of the DC voltage loop and PLL on the output impedance of the inverter is discussed. The DC voltage loop disturbance compensation method based on power feedforward and the PLL disturbance compensation method based on voltage feedforward are proposed. The analysis results of the impedance frequency characteristics and HIL experiment show that the proposed method can reduce the range that the output impedance appears as a negative characteristic, thereby improving the stability of the system.
Statements
Data availability statement
The original contributions presented in the study are included in the article/Supplementary Material; further inquiries can be directed to the corresponding author.
Author contributions
XL: Investigation, Conceptualization, Methodology, Validation, and Writing—review and editing. CL: Investigation, Conceptualization, Methodology, Software, Writing—original draft, and Writing—review and editing. RW: Supervision and Validation. YZ: Validation and Writing. LZ: Validation and review and editing.
Funding
This study is supported by the National Key R&D Program of China under grant (2018YFA0702200), the National Natural Science Foundation of China (62173074), the Key Project of National Natural Science Foundation of China (U20A2019), the State Key Laboratory of Alternate Electrical Power System with Renewable Energy Sources (Grant No. LAPS22002).
Conflict of interest
The authors declare that the research was conducted in the absence of any commercial or financial relationships that could be construed as a potential conflict of interest.
Publisher’s note
All claims expressed in this article are solely those of the authors and do not necessarily represent those of their affiliated organizations, or those of the publisher, the editors, and the reviewers. Any product that may be evaluated in this article, or claim that may be made by its manufacturer, is not guaranteed or endorsed by the publisher.
References
1
Akram U. Khalid M. Shafiq S. (2018). Optimal Sizing of a Wind/solar/battery Hybrid Grid‐connected Microgrid System. IET Renew. Power Gener.12, 72–80. 10.1049/iet-rpg.2017.0010
2
Bakhshizadeh M. K. Wang X. Blaabjerg F. Hjerrild J. Kocewiak Ł. Bak C. L. et al (2016). Couplings in Phase Domain Impedance Modeling of Grid-Connected Converters. IEEE Trans. Power Electron.31, 6792–6796. 10.1109/TPEL.2016.2542244
3
Cao W. Ma Y. Yang L. Wang F. Tolbert L. M. (2017). D-Q Impedance Based Stability Analysis and Parameter Design of Three-Phase Inverter-Based AC Power Systems. IEEE Trans. Ind. Electron.64, 6017–6028. 10.1109/tie.2017.2682027
4
Cespedes M. Sun J. (2014). Adaptive Control of Grid-Connected Inverters Based on Online Grid Impedance Measurements. IEEE Trans. Sustain. Energy5, 516–523. 10.1109/tste.2013.2295201
5
Davari M. Mohamed Y. A.-R. I. (2016). Robust Vector Control of a Very Weak-Grid-Connected Voltage-Source Converter Considering the Phase-Locked Loop Dynamics. IEEE Trans. Power Electron.32, 977–994. 10.1109/TPEL.2016.2546341
6
Dong D. Wen B. Boroyevich D. Mattavelli P. Xue Y. (2014). Analysis of Phase-Locked Loop Low-Frequency Stability in Three-phase Grid-Connected Power Converters Considering Impedance Interactions. IEEE Trans. Industrial Electron.62, 310–321. 10.1109/TIE.2014.2334665
7
Harnefors L. Bongiorno M. Lundberg S. (2007). Input-admittance Calculation and Shaping for Controlled Voltage-Source Converters. IEEE Trans. Ind. Electron.54, 3323–3334. 10.1109/tie.2007.904022
8
Harnefors L. Wang X. Yepes A. G. Blaabjerg F. (2015). Passivity-based Stability Assessment of Grid-Connected Vscs—An Overview. IEEE J. Emerg. Sel. Top. Power Electron.4, 116–125. 10.1109/JESTPE.2015.2490549
9
Jing W. Hung Lai C. Wong S. H. W. Wong M. L. D. (2017). Battery‐supercapacitor Hybrid Energy Storage System in Standalone DC Microgrids: Areview. IET Renew. Power Gener.11, 461–469. 10.1049/iet-rpg.2016.0500
10
Lu D. Wang X. Blaabjerg F. (2018). Impedance-based Analysis of Dc-Link Voltage Dynamics in Voltage-Source Converters. IEEE Trans. Power Electron.34, 3973–3985. 10.1109/TPEL.2018.2856745
11
Nicolini A. Pinheiro H. Carnielutti F. Massing J. (2020). PLL Parameters Tuning Guidelines to Increase Stability Margins in Multiple Three‐phase Converters Connected to Weak Grids. IET Renew. Power Gener.14, 2232–2244. 10.1049/iet-rpg.2020.0028
12
Sun J. (2011). Impedance-based Stability Criterion for Grid-Connected Inverters. IEEE Trans. Power Electron.26, 3075–3078. 10.1109/tpel.2011.2136439
13
Tricarico T. Gontijo G. F. Aredes M. Dias R. Guerrero J. M. (2020). New Hybrid‐microgrid Topology Using a Bidirectional Interleaved Converter as a Robust Power Interface Operating in Grid‐connected and Islanded Modes. IET Renew. Power Gener.14, 134–144. 10.1049/iet-rpg.2019.0626
14
Wang X. Li Y. W. Blaabjerg F. Loh P. C. (2014). Virtual-impedance-based Control for Voltage-Source and Current-Source Converters. IEEE Trans. Power Electron.30, 7019–7037. 10.1109/TPEL.2014.2382565
15
Wang X. Ruan X. Liu S. Tse C. K. (2010). Full Feedforward of Grid Voltage for Grid-Connected Inverter with Lcl Filter to Suppress Current Distortion Due to Grid Voltage Harmonics. IEEE Trans. Power Electron.25, 3119–3127. 10.1109/tpel.2010.2077312
16
Wen B. Boroyevich D. Burgos R. Mattavelli P. Shen Z. (2015a). Analysis of Dq Small-Signal Impedance of Grid-Tied Inverters. IEEE Trans. Power Electron.31, 675–687. 10.1109/TPEL.2015.2398192
17
Wen B. Boroyevich D. Burgos R. Mattavelli P. Shen Z. (2014). Small-signal Stability Analysis of Three-phase Ac Systems in the Presence of Constant Power Loads Based on Measured Dq Frame Impedances. IEEE Trans. Power Electron.30, 5952–5963. 10.1109/TPEL.2014.2378731
18
Wen B. Dong D. Boroyevich D. Burgos R. Mattavelli P. Shen Z. (2015b). Impedance-based Analysis of Grid-Synchronization Stability for Three-phase Paralleled Converters. IEEE Trans. Power Electron.31, 26–38. 10.1109/TPEL.2015.2419712
19
Xu D. Cen H. (2021). A Hybrid Energy Storage Strategy Based on Multivariable Fuzzy Coordinated Control of Photovoltaic Grid‐connected Power Fluctuations. IET Renew. Power Gener.15, 1826–1835. 10.1049/rpg2.12152
20
Xu J. Xie S. Qian Q. Zhang B. (2017). Adaptive Feedforward Algorithm without Grid Impedance Estimation for Inverters to Suppress Grid Current Instabilities and Harmonics Due to Grid Impedance and Grid Voltage Distortion. IEEE Trans. Ind. Electron.64, 7574–7586. 10.1109/tie.2017.2711523
21
Xue M. Zhang Y. Kang Y. Yi Y. Li S. Liu F. (2012). Full Feedforward of Grid Voltage for Discrete State Feedback Controlled Grid-Connected Inverter with Lcl Filter. IEEE Trans. Power Electron.27, 4234–4247. 10.1109/tpel.2012.2190524
22
Yang D. Ruan X. Wu H. (2014). Impedance Shaping of the Grid-Connected Inverter with Lcl Filter to Improve its Adaptability to the Weak Grid Condition. IEEE Trans. Power Electron.29, 5795–5805. 10.1109/tpel.2014.2300235
23
Yang L. Chen Y. Luo A. Chen Z. Zhou L. Zhou X. et al (2019). Effect of Phase‐locked Loop on Small‐signal Perturbation Modelling and Stability Analysis for Three‐phase LCL‐type Inverter Connected to Weak Grid. IET Renew. Power Gener.13, 86–93. 10.1049/iet-rpg.2018.0072
24
Yuan H. Yuan X. Hu J. (2017). Modeling of Grid-Connected Vscs for Power System Small-Signal Stability Analysis in Dc-Link Voltage Control Timescale. IEEE Trans. Power Syst.32, 3981–3991. 10.1109/tpwrs.2017.2653939
25
Zhang X. Xia D. Fu Z. Wang G. Xu D. (2018). An Improved Feedforward Control Method Considering Pll Dynamics to Improve Weak Grid Stability of Grid-Connected Inverters. IEEE Trans. Ind. Appl.54, 5143–5151. 10.1109/tia.2018.2811718
26
Zhou J. Z. Ding H. Fan S. Zhang Y. Gole A. M. (2014). Impact of Short-Circuit Ratio and Phase-Locked-Loop Parameters on the Small-Signal Behavior of a Vsc-Hvdc Converter. IEEE Trans. Power Deliv.29, 2287–2296. 10.1109/tpwrd.2014.2330518
Summary
Keywords
PV and energy storage system, weak power grids, grid-connected inverter, phase-locked loop, stability analysis
Citation
Li C, Liu X, Wang R, Zhang Y and Zhang L (2022) An Improved Dual-Loop Feedforward Control Method for the Enhancing Stability of Grid-Connected PV and Energy Storage System Under Weak Grids. Front. Energy Res. 10:939376. doi: 10.3389/fenrg.2022.939376
Received
09 May 2022
Accepted
30 May 2022
Published
22 July 2022
Volume
10 - 2022
Edited by
Qihe Shan, Dalian Maritime University, China
Reviewed by
Kenneth E. Okedu, National University of Science and Technology (Muscat), Oman
Tianyi Li, Aalborg University, Denmark
Jianguo Zhou, Tsinghua University, China
Updates
Copyright
© 2022 Li, Liu, Wang, Zhang and Zhang.
This is an open-access article distributed under the terms of the Creative Commons Attribution License (CC BY). The use, distribution or reproduction in other forums is permitted, provided the original author(s) and the copyright owner(s) are credited and that the original publication in this journal is cited, in accordance with accepted academic practice. No use, distribution or reproduction is permitted which does not comply with these terms.
*Correspondence: Xinrui Liu, liuxinrui@ise.neu.edu.cn
This article was submitted to Smart Grids, a section of the journal Frontiers in Energy Research
Disclaimer
All claims expressed in this article are solely those of the authors and do not necessarily represent those of their affiliated organizations, or those of the publisher, the editors and the reviewers. Any product that may be evaluated in this article or claim that may be made by its manufacturer is not guaranteed or endorsed by the publisher.