METHODS article
Front. Energy Res.
Sec. Smart Grids
Research on parameter identification of high-head hydropower MMC-HVDC system based on Sobol sensitivity analysis and adaptive Cuckoo search algorithm
Provisionally accepted- 1China Southern Power Grid (China), Guangzhou, China
- 2Electric Power Research Institute, CSG, Guangzhou, China
Select one of your emails
You have multiple emails registered with Frontiers:
Notify me on publication
Please enter your email address:
If you already have an account, please login
You don't have a Frontiers account ? You can register here
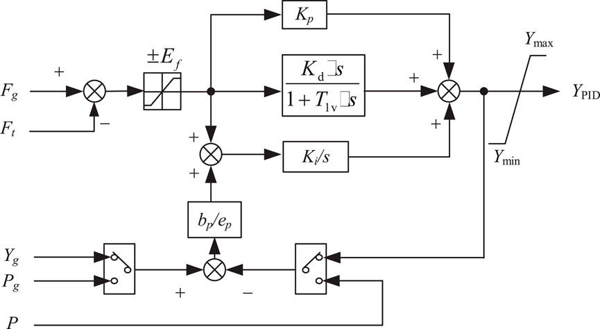
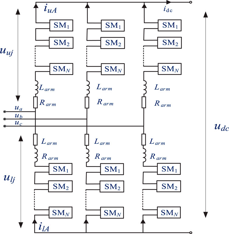
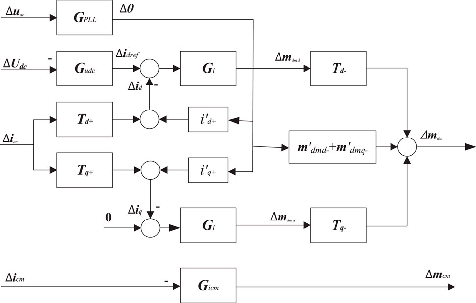
With the increasing complexity of high-head hydropower systems and the rapid development of flexible DC transmission technology, accurate electromagnetic transient (EMT) modeling of hydropower flexible DC systems is essential. To address the challenge of parameter acquisition, this manuscript proposes a method based on Sobol sensitivity analysis and an adaptive cuckoo search (ACS) algorithm for parameter identification. First, an EMT model is constructed, and Sobol sensitivity analysis is used to evaluate parameter influence. Key parameters with high sensitivity indices are selected for further optimization. Finally, the ACS algorithm identifies these parameters with high accuracy. The case study results show that ACS outperforms both standard cuckoo search and particle swarm optimization (PSO) algorithms in terms of convergence speed and identification accuracy. Simulation results confirm the validity of the identified parameters across various operating conditions, demonstrating the method's effectiveness and generalizability.
Keywords: Adaptive cuckoo search, Parameter identification, high-head hydropower, Sobol sensitivity analysis, MMC-HVDC
Received: 13 May 2025; Accepted: 03 Nov 2025.
Copyright: © 2025 Li, Wu and Zhen. This is an open-access article distributed under the terms of the Creative Commons Attribution License (CC BY). The use, distribution or reproduction in other forums is permitted, provided the original author(s) or licensor are credited and that the original publication in this journal is cited, in accordance with accepted academic practice. No use, distribution or reproduction is permitted which does not comply with these terms.
* Correspondence: Junjie Li, lijj0408@126.com
Disclaimer: All claims expressed in this article are solely those of the authors and do not necessarily represent those of their affiliated organizations, or those of the publisher, the editors and the reviewers. Any product that may be evaluated in this article or claim that may be made by its manufacturer is not guaranteed or endorsed by the publisher.
