ORIGINAL RESEARCH article
Front. Energy Res.
Sec. Sustainable Energy Systems
Small signal stability prediction and correction control algorithm for wind power systems based on LightGBM
Provisionally accepted- Guizhou, GUIYANG, China
Select one of your emails
You have multiple emails registered with Frontiers:
Notify me on publication
Please enter your email address:
If you already have an account, please login
You don't have a Frontiers account ? You can register here
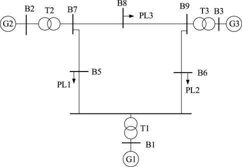
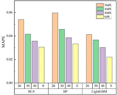
With the increasing penetration rate of wind power in the power system, its impact on the small signal stability of the system is becoming increasingly significant. The volatility and uncertainty brought by the integration of wind power into the grid pose new challenges to the stability analysis and control of the power system. In order to accurately predict and correct the small signal stability of wind power systems, this paper proposes a small signal stability prediction and correction method for wind power systems based on the LightGBM (Light Gradient Boosting Machine) algorithm model. The LightGBM algorithm has efficient speed and low memory consumption, while being able to process large-scale data and support automatic processing of missing values, accurately extracting power grid features. To verify the reliability of the proposed method, three different signal-to-noise ratios of noise were considered to validate the performance and robustness of the model. The simulation examples used a 3-machine 9-node system and a 10 machine 39 node system to replace a certain generator in the system with an aggregated wind power plant for simulation testing. By applying an algorithm model to predict the small signal stability of electricity and correct the unstable operating state of the power system, the feasibility of the proposed method was demonstrated.
Keywords: Lightgbm, Doubly fed induction generators, Wind power generators, SmallSignal Stability Analysis, machine learning, Damping Ratio Sensitivity
Received: 15 Oct 2025; Accepted: 12 Nov 2025.
Copyright: © 2025 Fu, Wang, Xu, Ma, An and Chen. This is an open-access article distributed under the terms of the Creative Commons Attribution License (CC BY). The use, distribution or reproduction in other forums is permitted, provided the original author(s) or licensor are credited and that the original publication in this journal is cited, in accordance with accepted academic practice. No use, distribution or reproduction is permitted which does not comply with these terms.
* Correspondence: Yang Fu, 928920263@qq.com
Disclaimer: All claims expressed in this article are solely those of the authors and do not necessarily represent those of their affiliated organizations, or those of the publisher, the editors and the reviewers. Any product that may be evaluated in this article or claim that may be made by its manufacturer is not guaranteed or endorsed by the publisher.
