ORIGINAL RESEARCH article
Front. Plant Sci.
Sec. Technical Advances in Plant Science
Design and simulation of key components for mechanical transplanting of large pineapple seedlings
Provisionally accepted- 1Tianjin Agricultural University, Tianjin, China
- 2College of Engineering and Technology, Shanxi Agricultural University, Jinzhong, China
- 3South Subtropical Crop Research Institute, China Academy of Tropical Agricultural Sciences, Zhanjiang, China
Select one of your emails
You have multiple emails registered with Frontiers:
Notify me on publication
Please enter your email address:
If you already have an account, please login
You don't have a Frontiers account ? You can register here
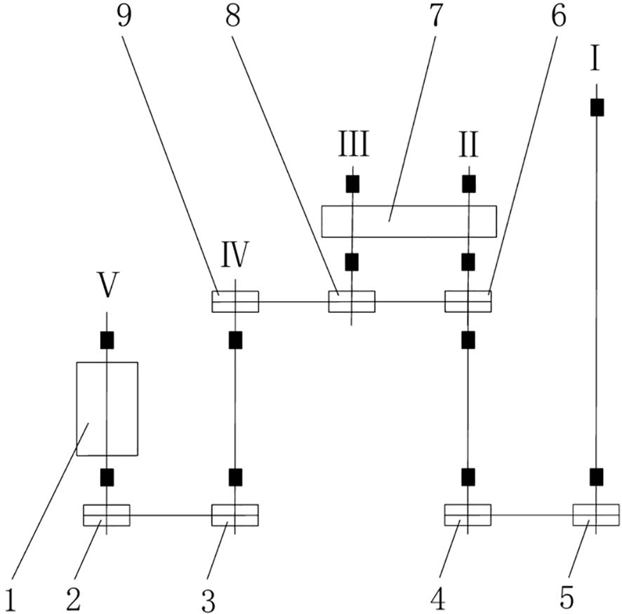
Pineapple is an important characteristic crop in tropical and subtropical regions of China. In production, the proportion of labor costs is high and the level of mechanization is low, which hinders the full play of the industrial potential. Mechanized production of pineapple is the fundamental path to improve economic benefits and promote high-quality development of the industry. Among them, transplanting is a key technical link in the mechanized production of pineapple. Therefore, in order to improve the mechanization level of pineapple seedling transplanting in China, this paper reviews the existing key transplanting technologies and pineapple planting technologies and equipment at home and abroad, studies and analyzes the planting mode and physical characteristics of pineapple seedlings, standardizes the treatment of pineapple seedlings, and designs a duckbill-type pineapple seedling transplanter that can perform membrane transplanting operations. This study expounds the overall structure and working principle of the duckbill-type transplanter, optimizes the design of the transmission system and planting components of the transplanter, uses SolidWorks to conduct 3D modeling and interference analysis of the whole machine, and combines the actual force conditions to conduct finite element analysis of the core components. The analysis results show that there is no interference in the 3D assembly model, which meets the design requirements; the maximum strain, maximum stress and maximum displacement of the frame, driving shaft and transplanting arm all meet the design requirements, and the maximum stress is 2.816e+07Pa, 5.387e+08Pa and 1.448e+08Pa respectively, which does not exceed the yield strength of 710MPa of the 40CrNiMoA material after normalizing, verifying the correctness of the structural design and the safety of the mechanism strength and deformation. The results of the field experiments show that the pineapple seedling transplanting machine has a good transplanting effect, significantly improves transplanting efficiency, effectively reduces labor intensity, and lowers labor costs.
Keywords: Pineapple, Transplanting, Mechanization, standardized treatment of seedlings, duckbill-type planting device, Solidworks, Finite Element Analysis
Received: 09 Oct 2025; Accepted: 24 Oct 2025.
Copyright: © 2025 Guo, Zhou, Liu, Hui, Hao, Zhang, Yang, Sun and Zhong. This is an open-access article distributed under the terms of the Creative Commons Attribution License (CC BY). The use, distribution or reproduction in other forums is permitted, provided the original author(s) or licensor are credited and that the original publication in this journal is cited, in accordance with accepted academic practice. No use, distribution or reproduction is permitted which does not comply with these terms.
* Correspondence: Xue Zhong, xxyyxz006@163.com
Disclaimer: All claims expressed in this article are solely those of the authors and do not necessarily represent those of their affiliated organizations, or those of the publisher, the editors and the reviewers. Any product that may be evaluated in this article or claim that may be made by its manufacturer is not guaranteed or endorsed by the publisher.
